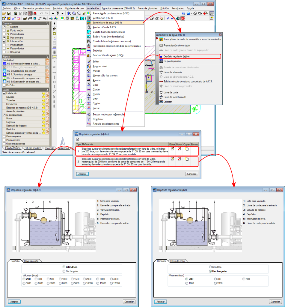
Desde versiones anteriores, CYPECAD MEP permite proyectar una instalación de energía solar térmica, de uso individual o colectivo, para la producción de agua caliente sanitaria para España y Portugal. A partir de la versión 2014.a, estas instalaciones también se pueden proyectar para los siguientes países:
- Angola
- Argentina
- Brasil
- Cabo Verde
- Chile
- Colombia
- México
- Mozambique
- Perú
Para ello, se ha adaptado el cálculo de la instalación de de modo que sea válido para cualquier latitud.
Para todos los países con instalación solar térmica, se ha implementado la edición de los datos climáticos de la ubicación del edificio desde la solapa Solar térmica (incluidos los valores mensuales de la Temperatura exterior y la Irradiación global diaria media mensual sobre superficie horizontal). En versiones anteriores (para España y Portugal), los datos climáticos sólo eran editables desde las solapas Estudio térmico y Climatización.









