Fancoils y climatizadoras
Introducción de unidades no autónomas para climatización (fancoils)
Dentro de la solapa "Climatización", en la barra de herramientas principal de la pestaña "Instalación" de la parte superior se puede encontrar el menú "Unidades no autónomas para climatización (fancoils)", con opciones para introducir diferentes tipos de fancoils.

Descarga de catálogos de Open BIM Database
En el programa, los fancoils toman la información a partir de las series de los catálogos de fabricantes incluidos en la base de datos Open BIM Database.
Por ello, para poder introducir cualquier tipo de fancoil, es necesario seguir estos pasos:
- Descargar los catálogos de Open BIM Database deseados (desde "Catálogos" en la pestaña "Obra").
- Pulsar sobre la opción del tipo de fancoil deseado (desde "Unidades no autónomas para climatización (fancoils)").
- Pulsar en el botón "Pulse aquí para editar la lista de tipos disponibles" para acceder a la lista de tipos.
- En la lista de fancoils de la tipología seleccionada, pulsar en "Nuevo".
- En la ventana emergente, realizar la selección del "Catálogo" dentro de los disponibles y descargados previamente y seleccionar la "Serie" deseada dentro del catálogo.
- Después, se elige uno de los tipos de fancoil de la serie en la tabla. En cada uno de ellos, el programa informa de su "Referencia", "Potencia frigorífica", "Potencia frigorífica sensible", "Potencia calorífica", "Caudal de agua", "Caudal de aire", "Potencia sonora" y "Consumo eléctrico" en las diferentes columnas.
- Se pulsa en "Aceptar" y se dispone el fancoil en la posición deseada en planta.
Los tipos de fancoils disponibles para sistemas de dos tubos son los siguientes:
| Opción | Descripción | Conexiones |
| Fancoil de techo, sistema de dos tubos, con distribución por conductos | Esta opción permite introducir un fancoil para disponer en el techo, con sistema de dos tubos y con distribución por conductos de aire. | Dispone de los siguientes puntos de conexión: -dos conexiones para tuberías de agua de impulsión y de retorno, que se pueden conectar (mediante "Sistemas de conducción de agua > Tubería, horizontal / Tubería, vertical") con equipos de producción de agua caliente o fría (bombas de calor reversibles o no reversibles, unidades de refrigeración, calderas o grupos térmicos); -dos conexiones para conductos de aire de impulsión y de retorno, a partir de las cuales se pueden introducir (mediante "Sistemas de conducción de aire > Conducto, horizontal / Conducto, vertical") las redes de impulsión o de retorno de aire hasta los elementos terminales (rejillas, difusores o toberas); -y una conexión para el cable de control, en caso de que se diseñe un sistema de zonificación. |
| Fancoil de techo, sistema de dos tubos, con distribución por embocaduras tubulares | Esta opción permite introducir un fancoil para disponer en el techo, con sistema de dos tubos y con distribución por tubos flexibles conectados en embocaduras tubulares. | Dispone de los siguientes puntos de conexión: -dos conexiones para tuberías de agua de impulsión y de retorno, que se pueden conectar (mediante "Sistemas de conducción de agua > Tubería, horizontal / Tubería, vertical") con equipos de producción de agua caliente o fría (bombas de calor reversibles o no reversibles, unidades de refrigeración, calderas o grupos térmicos); -dos conexiones para tubos flexibles de impulsión y de retorno, a partir de las cuales se pueden introducir (mediante "Sistemas de conducción de aire > Tubo flexible, horizontal / Tubo flexible, vertical") las redes de impulsión o de retorno de aire hasta los elementos terminales (difusores con plenum); y una conexión para el cable de control, en caso de que se diseñe un sistema de zonificación. |
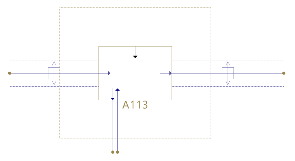
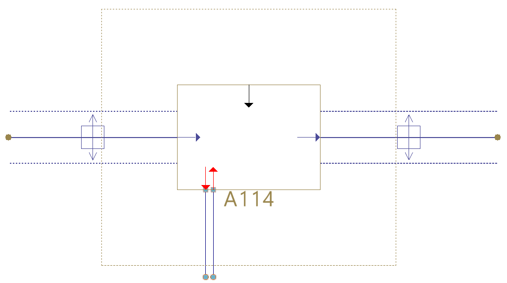
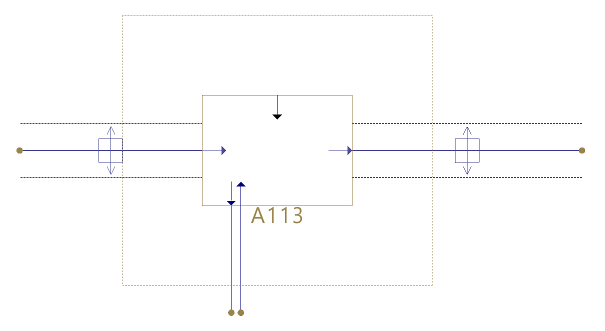
| Fancoil de techo, sistema de dos tubos, con descarga directa | Esta opción permite introducir un fancoil para disponer en el techo, con sistema de dos tubos y con descarga directa de aire en el recinto. | Dispone de los siguientes puntos de conexión: -dos conexiones para tuberías de agua de impulsión y de retorno, que se pueden conectar (mediante "Sistemas de conducción de agua > Tubería, horizontal / Tubería, vertical") con equipos de producción de agua caliente o fría (bombas de calor reversibles o no reversibles, unidades de refrigeración, calderas o grupos térmicos); -y una conexión para el cable de control, en caso de que se diseñe un sistema de zonificación. |
| Fancoil de cassette, sistema de dos tubos | Esta opción permite introducir un fancoil para disponer en el techo, con sistema de dos tubos y de tipo cassette. Este equipo descarga directamente el aire en el recinto. | Dispone de los siguientes puntos de conexión: -dos conexiones para tuberías de agua de impulsión y de retorno, que se pueden conectar (mediante "Sistemas de conducción de agua > Tubería, horizontal / Tubería, vertical") con equipos de producción de agua caliente o fría (bombas de calor reversibles o no reversibles, unidades de refrigeración, calderas o grupos térmicos); -y una conexión para el cable de control, en caso de que se diseñe un sistema de zonificación. |
| Fancoil mural, sistema de dos tubos | Esta opción permite introducir un fancoil para disponer en la pared, con sistema de dos tubos. Este equipo descarga directamente el aire en el recinto. Al introducir este equipo, es necesario indicar la "Altura" sobre la planta a la que se dispone. | Dispone de los siguientes puntos de conexión: -dos conexiones para tuberías de agua de impulsión y de retorno, que se pueden conectar (mediante "Sistemas de conducción de agua > Tubería, horizontal / Tubería, vertical") con equipos de producción de agua caliente o fría (bombas de calor reversibles o no reversibles, unidades de refrigeración, calderas o grupos térmicos); -y una conexión para el cable de control, en caso de que se diseñe un sistema de zonificación. |
| Fancoil vertical de suelo, sistema de dos tubos | Esta opción permite introducir un fancoil vertical para colocar en el suelo, con sistema de dos tubos. Este equipo descarga directamente el aire en el recinto. | Dispone de los siguientes puntos de conexión: -dos conexiones para tuberías de agua de impulsión y de retorno, que se pueden conectar (mediante "Sistemas de conducción de agua > Tubería, horizontal / Tubería, vertical") con equipos de producción de agua caliente o fría (bombas de calor reversibles o no reversibles, unidades de refrigeración, calderas o grupos térmicos); -y una conexión para el cable de control, en caso de que se diseñe un sistema de zonificación. |
| Opción | Descripción | Conexiones |
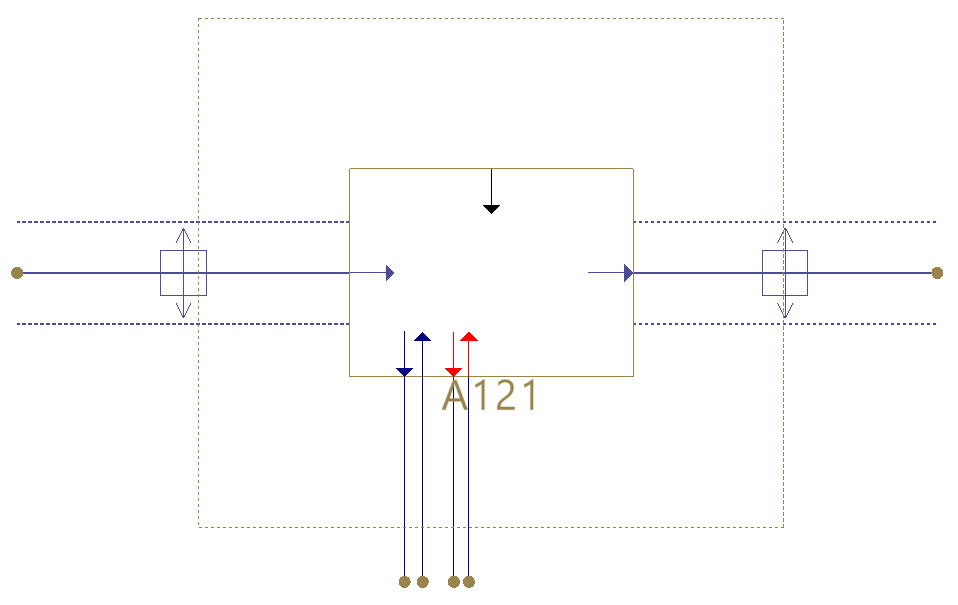
| Fancoil de techo, sistema de cuatro tubos, con distribución por conductos | Esta opción permite introducir un fancoil para disponer en el techo, con sistema de cuatro tubos y con distribución por conductos de aire. | Dispone de los siguientes puntos de conexión: dos conexiones para tuberías de agua fría de impulsión y de retorno, que se pueden conectar (mediante "Sistemas de conducción de agua > Tubería, horizontal / Tubería, vertical") con equipos de producción de agua fría (como unidades de refrigeración); -dos conexiones para tuberías de agua caliente de impulsión y de retorno, que se pueden conectar (mediante "Sistemas de conducción de agua > Tubería, horizontal / Tubería, vertical") con equipos de producción de agua caliente (como bombas de calor no reversibles, calderas o grupos térmicos); -dos conexiones para conductos de aire de impulsión y de retorno, a partir de las cuales se pueden introducir (mediante "Sistemas de conducción de aire > Conducto, horizontal / Conducto, vertical") las redes de impulsión o de retorno de aire hasta los elementos terminales (rejillas, difusores o toberas); -y una conexión para el cable de control, en caso de que se diseñe un sistema de zonificación. |
| Fancoil de techo, sistema de cuatro tubos, con distribución por embocaduras tubulares | Esta opción permite introducir un fancoil para disponer en el techo, con sistema de cuatro tubos y con distribución por tubos flexibles conectados en embocaduras tubulares. | Dispone de los siguientes puntos de conexión: dos conexiones para tuberías de agua fría de impulsión y de retorno, que se pueden conectar (mediante "Sistemas de conducción de agua > Tubería, horizontal / Tubería, vertical") con equipos de producción de agua fría (como unidades de refrigeración); -dos conexiones para tuberías de agua caliente de impulsión y de retorno, que se pueden conectar (mediante "Sistemas de conducción de agua > Tubería, horizontal / Tubería, vertical") con equipos de producción de agua caliente (como bombas de calor no reversibles, calderas o grupos térmicos); -dos conexiones para tubos flexibles de impulsión y de retorno, a partir de las cuales se pueden introducir (mediante "Sistemas de conducción de aire > Tubo flexible, horizontal / Tubo flexible, vertical") las redes de impulsión o de retorno de aire hasta los elementos terminales (difusores con plenum); -y una conexión para el cable de control, en caso de que se diseñe un sistema de zonificación. |
| Fancoil de techo, sistema de cuatro tubos, con descarga directa | Esta opción permite introducir un fancoil para disponer en el techo, con sistema de cuatro tubos y con descarga directa de aire en el recinto. | Dispone de los siguientes puntos de conexión: -dos conexiones para tuberías de agua fría de impulsión y de retorno, que se pueden conectar (mediante "Sistemas de conducción de agua > Tubería, horizontal / Tubería, vertical") con equipos de producción de agua fría (como unidades de refrigeración); -dos conexiones para tuberías de agua caliente de impulsión y de retorno, que se pueden conectar (mediante "Sistemas de conducción de agua > Tubería, horizontal / Tubería, vertical") con equipos de producción de agua caliente (como bombas de calor no reversibles, calderas o grupos térmicos); -y una conexión para el cable de control, en caso de que se diseñe un sistema de zonificación. |
| Fancoil de cassette, sistema de cuatro tubos | Esta opción permite introducir un fancoil para disponer en el techo, con sistema de dos tubos y de tipo cassette. Este equipo descarga directamente el aire en el recinto. | Dispone de los siguientes puntos de conexión: -dos conexiones para tuberías de agua fría de impulsión y de retorno, que se pueden conectar (mediante "Sistemas de conducción de agua > Tubería, horizontal / Tubería, vertical") con equipos de producción de agua fría (como unidades de refrigeración); -dos conexiones para tuberías de agua caliente de impulsión y de retorno, que se pueden conectar (mediante "Sistemas de conducción de agua > Tubería, horizontal / Tubería, vertical") con equipos de producción de agua caliente (como bombas de calor no reversibles, calderas o grupos térmicos); -y una conexión para el cable de control, en caso de que se diseñe un sistema de zonificación. |
| Fancoil vertical de suelo, sistema de cuatro tubos | Esta opción permite introducir un fancoil vertical para colocar en el suelo, con sistema de dos tubos. Este equipo descarga directamente el aire en el recinto. | Dispone de los siguientes puntos de conexión: -dos conexiones para tuberías de agua fría de impulsión y de retorno, que se pueden conectar (mediante "Sistemas de conducción de agua > Tubería, horizontal / Tubería, vertical") con equipos de producción de agua fría (como unidades de refrigeración); dos conexiones para tuberías de agua caliente de impulsión y de retorno, que se pueden conectar (mediante "Sistemas de conducción de agua > Tubería, horizontal / Tubería, vertical") con equipos de producción de agua caliente (como bombas de calor no reversibles, calderas o grupos térmicos); -y una conexión para el cable de control, en caso de que se diseñe un sistema de zonificación. |
Introducción de unidades de tratamiento de aire (climatizadoras)
Dentro de la solapa "Climatización", en la barra de herramientas principal de la pestaña "Instalación" de la parte superior se puede encontrar el menú "Unidades de tratamiento de aire (climatizadoras)", con opciones para introducir los siguientes tipos de unidades de tratamiento de aire (UTA) o climatizadoras:

Climatizadora (UTA) de baja silueta, a dos tubos, con batería de agua fría
Esta opción permite introducir una unidad de tratamiento de aire (UTA) o climatizadora de baja silueta, con sistema de dos tubos, y que dispone únicamente de una batería de agua fría.
Dispone de los siguientes puntos de conexión:
- dos conexiones para tuberías de agua fría de impulsión y de retorno, que se pueden conectar (mediante "Sistemas de conducción de agua > Tubería, horizontal / Tubería, vertical") con equipos de producción de agua fría (como unidades de refrigeración);
- una conexión para conductos de aire de impulsión, a partir de la cual se puede introducir (mediante "Sistemas de conducción de aire > Conducto, horizontal / Conducto, vertical") la red de impulsión de aire hasta los elementos terminales (rejillas, difusores o toberas);
- opcionalmente, una o dos conexiones para conductos de aire de retorno, a partir de las cuales se pueden introducir (mediante "Sistemas de conducción de aire > Conducto, horizontal / Conducto, vertical") las redes de retorno de aire desde los elementos terminales (rejillas);
- y una conexión para el cable de control, en caso de que se diseñe un sistema de zonificación.

Climatizadora (UTA) de baja silueta, a dos tubos, con batería de agua caliente
Esta opción permite introducir una unidad de tratamiento de aire (UTA) o climatizadora de baja silueta, con sistema de dos tubos, y que dispone únicamente de una batería de agua caliente.
Dispone de los siguientes puntos de conexión:
- dos conexiones para tuberías de agua caliente de impulsión y de retorno, que se pueden conectar (mediante "Sistemas de conducción de agua > Tubería, horizontal / Tubería, vertical") con equipos de producción de agua caliente (como bombas de calor no reversibles, calderas o grupos térmicos);
- una conexión para conductos de aire de impulsión, a partir de la cual se puede introducir (mediante "Sistemas de conducción de aire > Conducto, horizontal / Conducto, vertical") la red de impulsión de aire hasta los elementos terminales (rejillas, difusores o toberas);
- opcionalmente, una o dos conexiones para conductos de aire de retorno, a partir de las cuales se pueden introducir (mediante "Sistemas de conducción de aire > Conducto, horizontal / Conducto, vertical") las redes de retorno de aire desde los elementos terminales (rejillas);
- y una conexión para el cable de control, en caso de que se diseñe un sistema de zonificación.

Climatizadora (UTA) de baja silueta, a cuatro tubos, con batería de agua fría y batería de agua caliente
Esta opción permite introducir una unidad de tratamiento de aire (UTA) o climatizadora de baja silueta, con sistema de cuatro tubos, y que dispone tanto de una batería de agua fría como de una batería de agua caliente.
Dispone de los siguientes puntos de conexión:
- dos conexiones para tuberías de agua fría de impulsión y de retorno, que se pueden conectar (mediante "Sistemas de conducción de agua > Tubería, horizontal / Tubería, vertical") con equipos de producción de agua fría (como unidades de refrigeración);
- dos conexiones para tuberías de agua caliente de impulsión y de retorno, que se pueden conectar (mediante "Sistemas de conducción de agua > Tubería, horizontal / Tubería, vertical") con equipos de producción de agua caliente (como bombas de calor no reversibles, calderas o grupos térmicos);
- una conexión para conductos de aire de impulsión, a partir de la cual se puede introducir (mediante "Sistemas de conducción de aire > Conducto, horizontal / Conducto, vertical") la red de impulsión de aire hasta los elementos terminales (rejillas, difusores o toberas);
- opcionalmente, una o dos conexiones para conductos de aire de retorno, a partir de las cuales se pueden introducir (mediante "Sistemas de conducción de aire > Conducto, horizontal / Conducto, vertical") las redes de retorno de aire desde los elementos terminales (rejillas);
- y una conexión para el cable de control, en caso de que se diseñe un sistema de zonificación.

Climatizadora (UTA) a cuatro tubos, con batería de agua fría y batería de agua caliente
Esta opción permite introducir una unidad de tratamiento de aire (UTA) o climatizadora genérica, con sistema de cuatro tubos, y que dispone tanto de una batería de agua fría como de una batería de agua caliente.
Dispone de los siguientes puntos de conexión:
- dos conexiones para tuberías de agua fría de impulsión y de retorno, que se pueden conectar (mediante "Sistemas de conducción de agua > Tubería, horizontal / Tubería, vertical") con equipos de producción de agua fría (como unidades de refrigeración);
- dos conexiones para tuberías de agua caliente de impulsión y de retorno, que se pueden conectar (mediante "Sistemas de conducción de agua > Tubería, horizontal / Tubería, vertical") con equipos de producción de agua caliente (como bombas de calor no reversibles, calderas o grupos térmicos);
- una conexión para conductos de aire de impulsión, a partir de la cual se puede introducir (mediante "Sistemas de conducción de aire > Conducto, horizontal / Conducto, vertical") la red de impulsión de aire hasta los elementos terminales (rejillas, difusores o toberas);
- una conexión para conductos de aire de retorno, a partir de la cual se puede introducir (mediante "Sistemas de conducción de aire > Conducto, horizontal / Conducto, vertical") la red de retorno de aire desde los elementos terminales (rejillas);
- y una conexión para el cable de control, en caso de que se diseñe un sistema de zonificación.

| Nota: |
|---|
| Este tipo de equipo permite definir un porcentaje de recuperación de calor de aire dentro de las opciones de su panel de edición (activando la casilla "Con recuperador" y escribiendo un "Rendimiento"). |
Índice de contenidos
Completa tu recorrido de CYPECAD MEP explorando las otras secciones disponibles:
- Introducción
- Inicio, configuración y modelado
- Instalaciones del edificio
CYPECAD MEP. Climatización - Fancoils y climatizadoras
Licencias y módulos relacionados
Los programas de CYPE se activan mediante licencias electrónicas que pueden contener uno o varios módulos. La lista de módulos compatibles con cada programa puede variar en función del producto adquirido y del tipo de licencia.
Para consultar la lista de módulos compatibles con este programa, se puede acceder a "Módulos de los programas de CYPE".
Es importante tener en cuenta que la lista de módulos disponibles en la licencia dependerá del producto adquirido.











